Главная
»
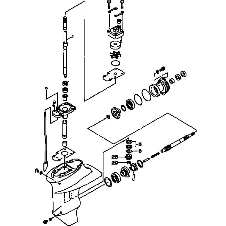
Масло в редуктор лодочного мотора ямаха 15
Редуктор в сборе Yamaha/Gladiator/Hidea/ Sea-Pro 2T 9.9-15 л.с ...