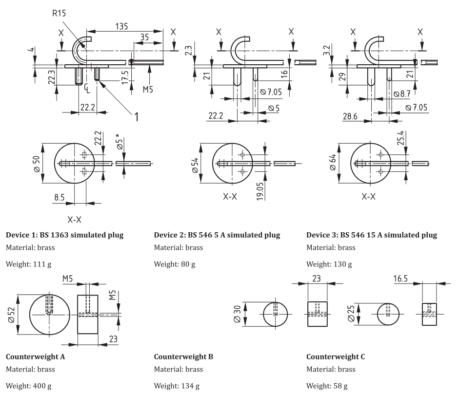
Bs1363-3 Figure 35 Simulated Plug And Cable Devices Made Of Brass, Plug ...

Bs1363-3 Figure 35 Simulated Plug And Cable Devices Made Of Brass, Plug ...