Купить Фотоприемники | Интернет-магазин радиоде...
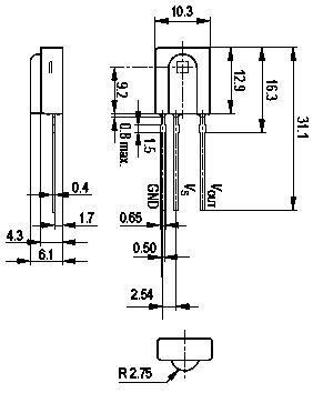
ИК фотоприемник SFH-506-xx
IR ИК приемник фотоприемник , плата управления,...
Фотоприемник инфракрасный
10x Фотодиод фотоприемник ИК приемник 5мм 940нм...
Электротехника: Фотоприемник озвучивающий ИК-си...
Как работает фотоприемник в телевизоре
Комплектующие
IR Sensor ИК Приемник фотоприемник D400/D530 BN...
Проект 25: ИК-фотоприемник и ИК-пульт. Обрабаты...
Купить PHOTOPRIEMNIK на складе КОСМОДРОМ, Харьк...
Простейшая схема ИК фотоприемника на инфракрасн...
ИК-фотоприемник. Делаем устройство для проверки...
IR ИК приемник фотоприемник 1-874-222-11 , 1-72...
ИК фотоприемник для пульта дистанционного управ...
RD-623 Фотоприемник ИК, - купить с доставкой по...
IR Sensor ИК Приемник фотоприемник EBR77031901 ...
Купить ИК (IR) LED фотоприемник F5 940NM 5MM че...
Купить Лазерный диод Высокоскоростной фотоприем...