Главная
»
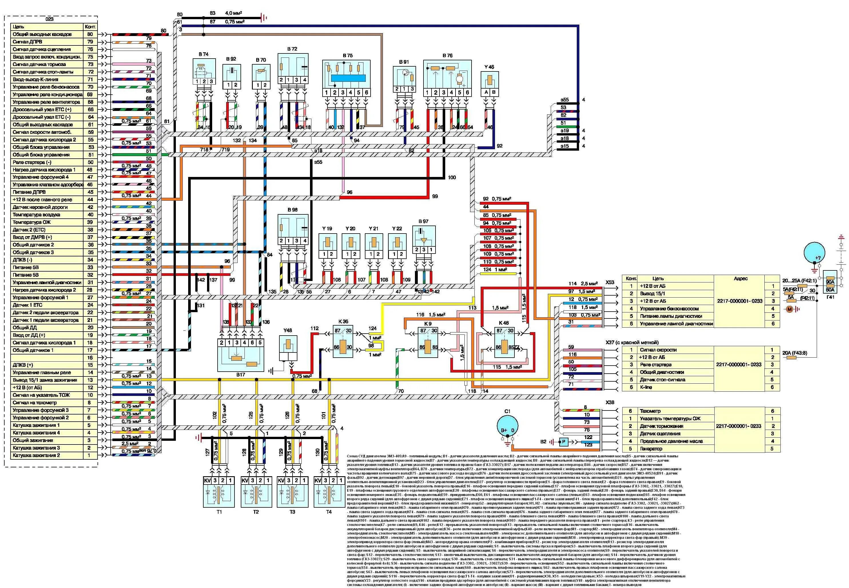
Электропроводка газель 3302
Электронная схема газели