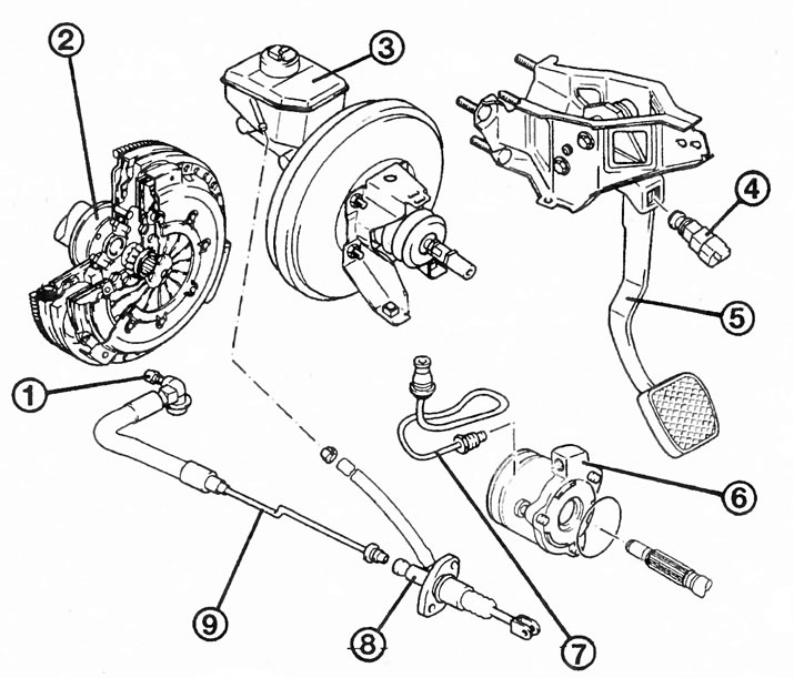
Управление сцеплением (Опель Вектра B 1995-2002, бензин: Трансмиссия ...

Управление сцеплением (Опель Вектра B 1995-2002, бензин: Трансмиссия ...