Главная
»
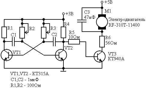
Стабилизатор оборотов двигателя постоянного тока
Регулятор оборотов электродвигателя постоянного тока 12в