Сколько масла в 406 двигателе?
406 Двигатель Нет Давления Масла - theregulations
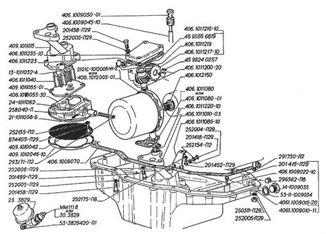
Масляный насос 406 двигатель схема 59 фото - Ru...
Двигатель мотор змз 406 газель соболь волга: 26...
Порядок работы 406 двигателя фото
Peugeot 406 Масляный насос
406 двигатель карбюратор тюнинг
Корпус насоса водяного (помпы) Peugeot 406 (199...
Масло для двигателя ЗМЗ 406 какое и сколько лить
Акция! Двигатель в сборе для газели. 406 - плит...
Насос масляный Волга, Газель, Соболь 406 дв. "О...
Двигатель 406 инжектор, технические характерист...
Характеристики бензонасоса 406 двигателя
Peugeot 406 spécifications techniques et économ...
Двигатель комплектный Peugeot 406 2, 0B купить ...
Газель 406 ремонт двигателя
Купить насос масляный ГАЗ дв.406, | Inter-agro....
Двигатель топливный насос Peugeot 406 . 1. 9 ку...
Двигатель на газель 406 б/у в Москве
Насос масляный Riginal для а/м с двигателем 406...
406 двигатель карбюратор газель жрет масло - 98...
ЗМЗ-406 (26 фото): описание двигателя, характер...
Пежо 406 двигателя (49 фото) - фото - картинки ...
Как устроен двигатель пежо 406
Купить Двигатель 406 инжекторный в Новосибирске...