КПП с маленьким делителем Маз, Камаз, Урал, Кра...
КПП МАЗ: схема переключения передач, 5 ступеней...
Схема кпп маз 238 с делителем схема переключения
Рычаг Переключения КПП в Сборе МАЗ 64221-170341...
Схема переключение кпп маз
Схема кпп маз с делителем 57 фото - wForm.ru
Рычаг регулировочный МАЗ ("Трещотка") — Ремавто...
Коробка передач камаз ? - схема переключения кп...
Кпп Маз 238 С Делителем Схема Пере - vegalogroove
Устройство делителя кпп автомобиля маз
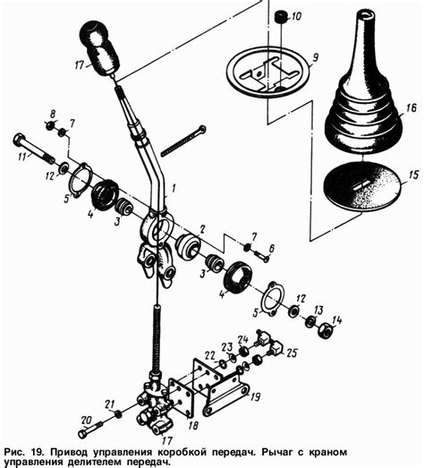
Привод управления коробкой передач. Рычаг с кра...
Рычаг КПП МАЗ - советы по регулировке - Мазик Б...
кпп маз фото
Купить Кулиса рычаг КПП 12 передач с делителем ...
Схема переключения передач маз купить в Казахстане
Кпп маз: схема переключения передач, 5 ступеней...
Регулировочные рычаги МАЗ - Мазик Бай Оф дилер ...
КПП-154 КамАЗ: коробка передач, технические хар...