Работа с оборудованием
Ип212 5му схема подключения
Ип 212 70 схема подключения - Схемы
ИП 212-141 (V1.04). Извещатель пожарный дымовой...
ИП212-5МУ Пожарный дымовой извещатель
Извещатель пожарный дымовой взрывозащищенный ИП...
Инструкция по эксплуатации
Пожарное оборудование. Товары и услуги компании...
Пожарный дымовой извещатель точечный, оптико-эл...
Обзор дымового пожарного извещателя ИП212-5м - ...
ИП 212-50М
ИП 212-3СУ - Извещатель пожарный дымовой оптиче...
Извещатель Пожарный Дымовой Ип 212-41м - Пожарн...
Дымовые пожарные извещатели купить в Барановича...
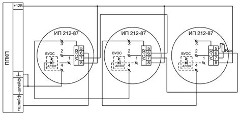
Подключение датчиков пожарной сигнализации ИП 2...
ИП 212-5МУ от поставщика года Минск
Пожарная сигнализация в Минске | Установка, мон...
Автономные пожарные извещатели ИП 212-142 ТМ RU...
Как подключить ип 212 3су
Купить ИВС-сигналспецавтоматика ИП 212-5М3 (ДИП...
Купить дымовой автономный пожарный извещатель о...
ИП 212-5 (ИПА v5) Извещатель пожарный аспирацио...