Проводка мотоцикл Восход 3М (центральная) - куп...
проводка мотоцикла восход 3м - avtoshkolak.ru
Проводка Восход 3м 12 вольт купить в Санкт-Пете...
Проводка генератора Минск, Восход 12В (Россия) ...
Проводка центральная на мотоцикл Восход купить ...
Проводка мотоцикла Восход (полная; новая) - куп...
Как подключит проводка на восход 3м
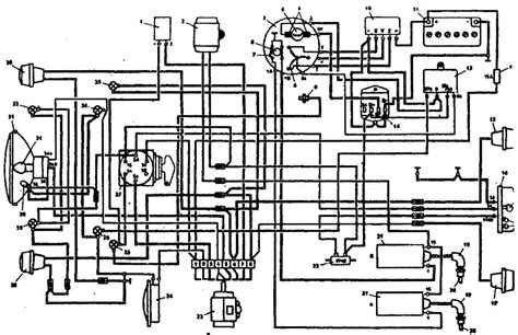
Схема проводки восход 3м 45 фото
Проводка на мотоцикл Восход - купить по низким ...
Проводка восход 2м схема 6 вольт
Схема проводки восход 3м 12 вольт
Проводка Восход, Минск генератора - купить по н...
Система зажигания восход 3м схема. схема подклю...
Проводка основная (центральная) Восход (шт)
КАК ПОДКЛЮЧИТЬ ПРОВОДКУ НА ЗАПУСК ВОСХОД 3М-СОВ...
27
Купить проводка Восход, Сова недорого , интерне...
Проводка генератора Восход / Минск (12в) - купи...
САМОДЕЛЬНАЯ ПРОВОДКА на ВОСХОД👌(ИСКРА,СВЕТ,ДВИГ...
Проводка Восхд, Минск коммутатор - генератор (Н...
проводка для мотоцикла восход 3, 3м, 3м01 - куп...
Проводка восход 3 м схема подключения
Зажигание восход 3м схема подключения генератора